NTH 筒夹/膜片夹头

产品展示

NTH 筒夹/膜片夹头

JA 回转缸内藏气压膜片夹头

JA PNEUMATIC DIAPHRAGM CHUCK

点击产品图片放大

资料下载

在线询盘

产品详细介绍

品牌/Brand:NTH
JA回转缸内藏气压膜片夹头
精密膜片夹头内藏高性能气压回转缸
夹头具中心通孔,可配合自动送料或中心出水工作
夹头高度密封设计,防尘防水防切削液
无滑动件磨损,超长精度寿命
高转速工作条件需安装于机台后校正动平衡
前置式安装,无须安装回转缸及夹头拉管
夹持力可由工作气压精密微调,适合夹持薄形工件或脆弱工件。单边厚度1.0mm薄件可以夹持
依据工件设计爪型,可进行外径夹持或内径反张

Repeatability is within 0.005mm.
Air cylinder is integrated: no rotary cylinder or draw tube is required.
Real front-mounting design allows easy installation.
Highly-sealed chuck body helps protect cutting chips, dust or coolant fluid from entering.
Gentle and precise clamping: suitable for fragile parts clamping.
O.D. clamping / I.D. expanding chuck possible by changing different jaw pads.

产品简介  Introduction
JA精密气压膜片夹头采用专利膜片夹盘技术,适合各式精密工件的夹持加工,提供极高的夹持精度。此外,JA精密气压膜片夹头的夹持力能以输入气压精密微调,因此亦广泛应用于薄环工件、薄管工件或是各式质地硬脆工件的夹持加工,能大幅降低工件受持力破坏或变形。

JA精密气压膜片夹头内藏高性能气压回转缸,转速可达4000RPM。与一般膜片夹头比较,客户选用 JAD 气压膜片夹头可以节省安装回转缸,给气钢管或拉管等组件,大幅简化其安装步骤及时间。客户不需要任何原厂的支援即能完成 JAD气压膜片夹头的安装及精度调校,并快速投入加工作业。

JA精密气压膜片夹头的应用范围广泛,可以搭配精密数控车床,精密研磨床,检验设备,或是各式精密加工专用机械工作。目前已成功的应用于精密机械零件,精密电子零件、光学零件、单用零件、医疗零件、精密陶瓷等多种精密零件的夹持加工,为使用者带来极大的效益。

NTH JA Cylinder-Integrated Pneumatic Diaphragm Chuck provides you with a high accuracy yet hassle-free  diaphragm chucking solution, saving you from the trouble of installing rotary cylinders, tailor making any draw tubes or air feeders. And with its real front-mounting design, the installation is revolutionarily easier than ever.

应用范例 Application
光碟机/硬碟机主轴组精修加工
精密轴套搪磨加工
数位相机薄铝零件车削加工
微小引擎的缸套及活塞精密加工
高速钻孔机主轴转子/轴套加工
精密陶瓷夹持
超薄铝管加工,单边厚度1.0mm以下
电子产品铝薄壳五轴雷射加工
其他精密零件、薄型工件的外夹或内张夹持加工

Precision bushings.
DVD spindle motor assembly.
Bearing collars, bearing rings.
Parts of cameras' lens module, thickness less than 0.7mm.
PCB drill bits.
Cylinder sleeve of air hand tools.
Thin-wall parts. Fragile parts.
Piston and cylinder of mini engines.

JA 夹头专用夹爪 JA diaphragm jaw pad

使用高品质的合金钢为材料,硬化至HRC50或半硬化至HRC40(可以车削).
交货速度快:常规尺寸能在10日内交货,订制品能在20日内交货

承制各厂牌膜片弹性夹爪 The diaphragm jaw pad can be customized
除了 JA 膜片夹头专用夹爪外,亦承制各厂牌精密模片夹头的弹性夹爪。
夹爪的外型与尺寸依据客户的加工件设计与制作,可选择高硬化或半硬化(可车削)的夹爪。

我们的交货速度快,能在确认订单后20天内制作完成。


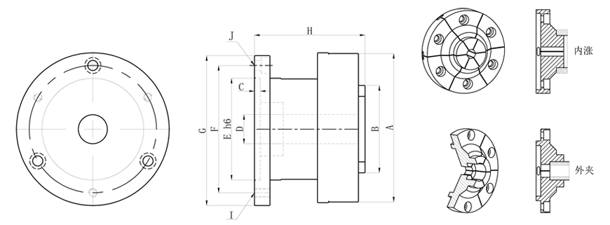
JA产品尺寸性能规格

单位/Unit:mm

型号/Model
规格/Spec
夹持行程
Stroke mm
最高转速
Max.RPM
使用压力
Max.Pressure
Kgf/cm2
净重
NW.Kgs
A B C D E(H6) F G H I J
JA4-60 0.1 4000 2--7 2.8 100 60 4 10 70 82 97 76 - 4-M6沉孔
JA5-70 0.3 3200 2--7 7 147 70 4 15 100 115 137 93 3-M8 3-M8沉孔
JA6-100 0.3 2500 2--7 11.5 177 100 5 35 130 147 167 107 3-M10 3-M10沉孔
JA8-150 0.3 2000 2--7 15 220 150 5 65 180 200 220 124 3-M10 3-M10沉孔

JA膜片夹爪尺寸表 JA diaphragm jaws  spec.

型号/Model
规格/Spec
A B C D E F
JD-60外夹型 65 45 2-60 52 20 6-M4沉孔
JD-60内涨 70 60 6-80 52 20 6-M4沉孔
JD-70外夹型 75 50 3-100 60 22 6-M5沉孔
JD-70内涨 80 70 6-140 60 22 6-M5沉孔
JD-100外夹型 105 80 3-150 90 29 8-M5沉孔
JD-100内涨型 110 100 6-170 90 29 8-M5沉孔
JD-150外夹型
155 120 5-200 135 35 8-M5沉孔
JD-150内涨型
160 150 10-220 135 35 8-M5沉孔
保留技术更改的权利,恕不另行通知 Subject to technology changes without prior information
非标需求可定做 Non-standard requirements can be made

最新新闻

  • 东莞国际机床展览会

    展会及展位信息: 时间:2025.10.29-11.01 开放时间:09:00-18:00 地点: 广东现代国际展览中心 展位号:3A-08

    深入了解
  • 玉环国际机床展览会

    展会及展位信息: 时间:2025.10.17-10.20 开放时间:09:00-18:00 地点: 浙江省台州市玉环市玉环会展中心 展位号:W2-T26

    深入了解
  • 武汉国际机床展-中国国际机电产品博览会WME

    展会及展位信息: 时间:2025年10月11日-13日 开放时间:09:00-18:00 地点:武汉国际博览中心 展位号:B1-1306 & B1-1004

    深入了解