3-JAW EXTRA THROUGH HOLE POWER CHUCK
Click on product image magnification
Online inquiryBrand:NTH
It‵s a wedge hook type 3-jaw power chuck with the extra large through-hole.
Matching surfaces of all parts are hardened, ground and lubricated directly
Construction of high rigidity and high clamping accuracy and high rotary speed.
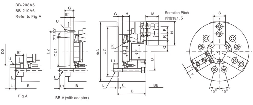
Size unit: mm
| Spec/Model |
Plunger stroke mm |
Jaw stroke Dia. mm |
Max chucking Dia. mm |
Min chucking Dia. mm |
Max.D.B.Pull kgf |
|---|---|---|---|---|---|
| BB-206 A5 | 12 | 5.5 | 170 | 18 | 2250 |
| BB-208 A5 | 16 | 7.4 | 210 | 23 | 4020 |
| BB-208 A6 | 16 | 7.4 | 210 | 23 | 4020 |
| BB-210 A6 | 19 | 8.8 | 254 | 34 | 5010 |
| BB-210 A8 | 19 | 8.8 | 254 | 34 | 5010 |
| BB-212 A11 | 23 | 10.6 | 315 | 47 | 6000 |
| BB-212(128) A11 | 23 | 10.6 | 315 | 47 | 6000 |
| BB-215 A15 | 23 | 10.6 | 405 | 60 | 7240 |
| BB-218 A15 | 23 | 10.6 | 457 | 75 | 7240 |
| Spec/Model |
Max clamping force kgf |
Max RPM |
Inertia moment kg*m2 |
Weight kg |
Weight(Ad.) kg |
Matched cylinders |
|---|---|---|---|---|---|---|
| BB-206 A5 | 5800 | 5300 | 0.06 | 11 | 12.8 | H-1552/HK-1552 |
| BB-208 A5 | 8550 | 4600 | 0.15 | 23 | 25.5 | H-1868/HK-1868 |
| BB-208 A6 | 8550 | 4600 | 0.15 | 23 | 24.1 | H-1868/HK-1868 |
| BB-210 A6 | 11300 | 4000 | 0.32 | 34 | 41 | H-1878/HK-1878 |
| BB-210 A8 | 11300 | 4000 | 0.32 | 34 | 39.5 | H-1878/HK-1878 |
| BB-212 A11 | 15600 | 3500 | 0.73 | 51 | 58 | H-2511/HK-2511 |
| BB-212(128) A11 | 15600 | 3500 | 0.73 | 51 | 58 |
H-2511/HK-2511 |
| BB-215 A15 | 18350 | 2500 | 2.3 | 127.4 | 138.8 | HK-2114 |
| BB-218 A15 |
18355 |
2000 | 4.77 | 161 | 172 | ML2816 |
|
Spec/Model
|
A | B | B(Ad.) | C(H6) | D | D1 | D2 | E | E1 | F | Gmax | Gmax(Ad.) | Gmin | Gmin(Ad.) | H | J |
|---|---|---|---|---|---|---|---|---|---|---|---|---|---|---|---|---|
| BB-206 A5 | 170 | 81 | 91 | 140 | 104.8 | 82.56 | 116 | 5 | 15 | 52 | 11 | 26 | -1 | 14 | 19 | 20 |
| BB-208 A5 | 220 | 91 | 109 | 170 | 133.4 | 83.56 | 104.8 | 5 | 23 | 66 | 14.5 | 37.5 | -1.5 | 21.5 | 20.5 | 30 |
| BB-208 A6 | 220 | 91 | 103 | 170 | 133.4 | 106.38 | 150 | 5 | 17 | 66 | 14.5 | 31.5 | -1.5 | 15.5 | 20.5 | 30 |
| BB-210 A6 | 266 | 100 | 120 | 220 | 171.5 | 107.38 | 133.4 | 5 | 25 | 86 | 8.5 | 33.5 | -10.5 | 14.5 | 25 | 45 |
| BB-210 A8 | 266 | 100 | 113 | 220 | 171.5 | 139.72 | 190 | 5 | 18 | 86 | 8.5 | 26.5 | -10.5 | 7.5 | 25 | 45 |
| BB-212 A11 | 320 | 110 | 126 | 300 | 235 | 196.8 | 260 | 6 | 22 | 120 | 8 | 30 | -15 | 15 | 28 | 50 |
| BB-212(128) A11 | 320 | 110 | 126 | 300 | 235 | 196.8 | 260 | 6 | 22 | 128 | 8 | 30 | -15 | 15 | 28 | 50 |
| BB-215 A15 | 405 | 133 | 154 | 380 | 330.2 | 285.78 | 330.2 | 7 | 22 | 141 | 11 | 38 | -12 | 22 | 39 | 60 |
| BB-218 A15 | 457 | 133 | 154 | 380 | 330.2 | 285.78 | 330.2 | 6 | 27 | 166.5 | 34 | 61 | 11 | 38 | 38 | - |
| Spec/Model | Kmax | L | L1 | L1(Ad.) | M | N | P | Q max | Q min | R max | R min | S | T | U |
|---|---|---|---|---|---|---|---|---|---|---|---|---|---|---|
| BB-206 A5 | M60×2 | 6-M10 | 16 | 16 | 37 | 73 | 20 | 35.5 | 32.8 | 22.8 | 9.3 | 31 | 12 | 3-M6 |
| BB-208 A5 | M75×2 | 6-M12 | 20 | 17 | 38 | 95 | 25 | 45.7 | 42 | 23.8 | 11.3 | 35 | 14 | 6-M10 |
| BB-208 A6 | M75×2 | 6-M12 | 20 | 18 | 38 | 95 | 25 | 45.7 | 42 | 23.8 | 11.3 | 35 | 14 | 3-M6 |
| BB-210 A6 | M95×2 | 6-M16 | 22 | 19 | 43 | 110 | 30 | 52 | 47.6 | 32.3 | 14.3 | 40 | 16 | 6-M12 |
| BB-210 A8 | M95×2 | 6-M16 | 22 | 24 | 43 | 110 | 30 | 52 | 47.6 | 32.3 | 14.3 | 40 | 16 | 3-M8 |
| BB-212 A11 | M130×2 | 6-M20 | 30 | 28 | 51 | 130 | 30 | 74.2 | 63.5 | 45.75 | 15.75 | 50 | 21 | 3-M10 |
| BB-212(128) A11 | M135x2 | 6-M20 | 30 | 28 | 51 | 130 | 30 | 74.2 | 63.5 | 45.75 | 15.75 | 50 | 21 | 3-M10 |
| BB-215 A15 | M155×2 | 6-M24 | 35 | 38 | 63 | 165 | 43 | 93.5 | 85.7 | 43.75 | 18.25 | 62 | 22 | 3-M12 |
| BB-218 A15 | M180×3 | 6-M24 | 30 | 33 | 66 | 165 | 43 | 96.7 | 85.2 | 79.2 | 18.25 | 62 | 22 | 3-M12 |
Subject to technology changes without prior information
Non-standard requirements can be made
Exhibition:MANUFACTURING INDONESIA 2025 Date:03. - 06. December 2025 Time:10:00 am. – 06:00 pm. Add: Balai Sidang Jakarta Convention Center,Jakarta,Indonesia Booth:A-150
Learn moreExhibition:METALEX 2025 Date:From 19 to 22 November, 2025 Time:10:00 am. – 06:00 pm. Add: BITEC International Trade & Exhibition Centre,Bangkok, Thailand Booth:H101-BD01
Learn moreExhibition:MSV 2025 International Engineering Fair Date: Tuesday, October 7, 2025 - Friday, October 10, 2025 Add: Brno Exhibition Centre, Brno, Czech Republic Booth:P-115
Learn more