3 - JAW EXTRA LONG JAW STROKE THROUGH HOLE HIGH SPEED POWER CHUCK
Click on product image magnification
Online inquiryBrand:NTH
It‵s a crank type 3-jaw power chuck, and extra long jaw stroke.
Matching surfaces of all parts are hardened, ground and lubricated directly
Construction of high rigidity and high clamping accuracy and high rotary speed.
The connecting spec is same as other "Through-hole power chuck", No need change the "Draw tube"
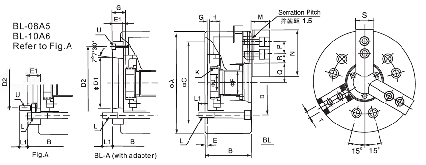
Size unit: mm
| Spec/Model |
Plunger stroke mm |
Jaw stroke Dia. mm |
Max chucking Dia. mm |
Min chucking Dia. mm |
Max.D.B.Pull kgf |
|---|---|---|---|---|---|
| BL-05 A4 | 12 | 18 | 135 | 6 | 15.6(1590) |
| BL-06 A5 | 15 | 24 | 170 | 18 | 23.5(2400) |
| BL-08 A5 | 20 | 32 | 215 | 25 | 34.3(3500) |
| BL-08 A6 | 20 | 32 | 215 | 25 | 34.3(3500) |
| BL-10 A6 | 25 | 37.5 | 260 | 47 | 47.7(4870) |
| BL-10 A8 | 25 | 37.5 | 260 | 47 | 47.7(4870) |
| BL-12 A8 | 30 | 45 | 315 | 54 | 64.7(6600) |
| BL-15 A11 | 35 | 52 | 385 | 50 | 84.3(8600) |
| Spec/Model |
Max clamping force kgf |
Max RPM |
Inertia moment kg*m2 |
Weight kg |
Weight(Ad.) kg |
Matched cylinders |
|---|---|---|---|---|---|---|
| BL-05 A4 | 17.2(1750) | 4200 | 0.019 | 7.2 | 8 | H-1036 |
| BL-06 A5 | 26.0(2650) | 3600 | 0.063 | 13 | 14.8 | H-1246 |
| BL-08 A5 | 35.0(4150) | 3000 | 0.175 | 23 | 25.9 | H-1552 |
| BL-08 A6 | 35.0(4150) | 3000 | 0.175 | 23 | 24.1 | H-1552 |
| BL-10 A6 | 61.0(5700) | 2400 | 0.347 | 38 | 45 | H-1875 |
| BL-10 A8 | 61.0(5700) | 2400 | 0.347 | 38 | 43.5 | H-1875 |
| BL-12 A8 | 68.0(7650) | 2100 | 0.827 | 62 | 67.5 | H-2091 |
| BL-15 A11 | 68.0(6930) | 1600 | 2.58 | 136 | 143 | H-2511 |
| Spec/Model | A | B | B (Ad.) | C(H6) | D | D1 | D2 | E | E1 | F | Gmax | Gmax(Ad.) | Gmin | Gmin(Ad.) | H | J |
|---|---|---|---|---|---|---|---|---|---|---|---|---|---|---|---|---|
| BL-05 A4 | 135 | 65 | 76 | 110 | 82.6 | 63.51 | 96 | 4 | 15 | 32 | 1 | 16 | -11 | 4 | 20 | 12 |
| BL-06 A5 | 168 | 84 | 97 | 140 | 104.8 | 82.56 | 116 | 5 | 18 | 42 | 6.5 | 24.5 | -8.5 | 9.5 | 19 | 20 |
| BL-08 A5 | 210 | 96 | 118 | 170 | 133.4 | 82.56 | 104.8 | 5 | 23 | 52 | 7 | 34 | -13 | 14 | 20 | 30 |
| BL-08 A6 | 210 | 96 | 114 | 170 | 133.4 | 106.38 | 150 | 5 | 17 | 52 | 7 | 30 | -13 | 10 | 20 | 30 |
| BL-10 A6 | 254 | 110 | 130 | 220 | 171.5 | 106.38 | 133.4 | 5 | 25 | 70 | 8 | 33 | -17 | 8 | 25 | 45 |
| BL-10 A8 | 254 | 110 | 123 | 220 | 171.5 | 139.72 | 190 | 5 | 18 | 70 | 8 | 26 | -17 | 1 | 25 | 45 |
| BL-12 A8 | 304 | 127 | 140 | 220 | 171.5 | 139.72 | 190 | 6 | 18 | 91 | 15 | 33 | -15 | 3 | 28 | 50 |
| BL-15 A11 | 385 | 150 | 166 | 300 | 235 | 196.87 | 260 | 6 | 22 | 120 | 12.5 | 34.5 | -22.5 | -0.5 | 39 | 60 |
| Spec/Model | K max | L | L1 | L1(Ad.) | M | N | P | Q max | Q min | R max | R min | S | T | U |
|---|---|---|---|---|---|---|---|---|---|---|---|---|---|---|
| BL-05 A4 | M40×1.5 | 3-M10 | 15 | 15 | 31 | 62 | 14 | 23 | 13.75 | 31 | 22 | 25 | 10 | 3-M6 |
| BL-06 A5 | M55×2 | 6-M10 | 18 | 15 | 37 | 73 | 20 | 25.7 | 13.75 | 39 | 27 | 31 | 12 | 3-M6 |
| BL-08 A5 | M60×2 | 6-M12 | 18 | 19 | 38 | 95 | 25 | 28.25 | 16.25 | 49.25 | 33.25 | 35 | 14 | 6-M10 |
| BL-08 A6 | M60×2 | 6-M12 | 18 | 20 | 38 | 95 | 25 | 28.25 | 16.25 | 49.25 | 33.25 | 35 | 14 | 3-M6 |
| BL-10 A6 | M85×2 | 6-M16 | 22 | 20 | 43 | 110 | 30 | 35.25 | 17.25 | 64.25 | 45.25 | 40 | 16 | 6-M12 |
| BL-10 A8 | M85×2 | 6-M16 | 22 | 25 | 43 | 110 | 30 | 35.25 | 17.25 | 64.25 | 45.25 | 40 | 16 | 3-M8 |
| BL-12 A8 | M100×2 | 6-M16 | 20 | 19 | 51 | 130 | 30 | 46.25 | 19.25 | 77 | 54.5 | 50 | 21 | 3-M8 |
| BL-15 A11 | M130×2 | 6-M20 | 33 | 31 | 63 | 165 | 43 | 51.25 | 27.25 | 94.25 | 68.25 | 62 | 22 | 3-M10 |
Subject to technology changes without prior information
Non-standard requirements can be made
Exhibition:MANUFACTURING INDONESIA 2025 Date:03. - 06. December 2025 Time:10:00 am. – 06:00 pm. Add: Balai Sidang Jakarta Convention Center,Jakarta,Indonesia Booth:A-150
Learn moreExhibition:METALEX 2025 Date:From 19 to 22 November, 2025 Time:10:00 am. – 06:00 pm. Add: BITEC International Trade & Exhibition Centre,Bangkok, Thailand Booth:H101-BD01
Learn moreExhibition:MSV 2025 International Engineering Fair Date: Tuesday, October 7, 2025 - Friday, October 10, 2025 Add: Brno Exhibition Centre, Brno, Czech Republic Booth:P-115
Learn more