SUPER LONG STROKE 3 JAW POWER CHUCK
Click on product image magnification
Online inquiryBrand:NTH
It‵s a crank type 3-jaw power chuck, and super extra long jaw stroke.
Matching surfaces of all parts are hardened, ground and lubricated directly
Construction of high rigidity and high clamping accuracy and high rotary speed.
The installing and connecting is the same as other "Through-hole power chuck", No need change the "Draw tube"
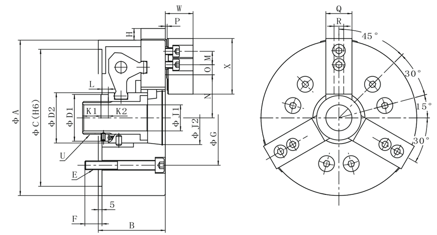
Size unit: mm
| Spec/Model |
Plunger stroke mm |
Jaw stroke Dia. mm |
Max chucking Dia. mm |
Min chucking Dia. |
Max.D.B.Pull KN |
|---|---|---|---|---|---|
| KBL-206 | 20 | 32 | 165 | 10 | 22.6 |
| KBL-208 | 25 | 40 | 210 | 28 | 31.4 |
| KBL-210 | 28 | 42 | 254 | 42 | 37.3 |
| KBL-212 | 35 | 50 | 304 | 54 | 49 |
| Spec/Model |
Max clamping force KN |
Max RPM |
Max.pressure Mpa |
Weight kg |
Matched cylinders |
|---|---|---|---|---|---|
| KBL-206 | 19.6 | 3600 | 2.5 | 11.5 | S-100 |
| KBL-208 | 27.5 | 3000 | 2.5 | 23.6 | S-125 |
| KBL-210 | 34.3 | 2400 | 2.8 | 34.5 | S-125 |
| KBL-212 | 48 | 2100 | 2.8 | 60.8 | S-150 |
| Spec/Model | A | B | C(H7) | D1 | D2 | E | F | G | H max | J1 | J2(H9) | K1 |
|---|---|---|---|---|---|---|---|---|---|---|---|---|
| KBL-206 | 165 | 80 | 140 | 45 | 54 | 6-M10 | 16 | 104.8 | 10 | 21 | 60 | 20 |
| KBL-208 | 215 | 93 | 170 | 65 | 74 | 6-M12 | 20 | 133.4 | 11.5 | 36 | 80 | 25 |
| KBL-210 | 254 | 111 | 220 | 82 | 96 | 6-M12 | 17 | 171.4 | 13 | 55 | 105 | 25 |
| KBL-212 | 304 | 130 | 220 | 92 |
102 |
6-M16 | 22 | 171.4 | 15 | 62 | 110 | 30 |
| Spec/Model | K2 | L | M | N | O | P | Q | R | T | U | W | X |
|---|---|---|---|---|---|---|---|---|---|---|---|---|
| KBL-206 | 10 | -2--18 | 20 | 23.8--39.8 | 9--30 | 3 | 31 | 12 | 43 | M30*2 | 37 | 73 |
| KBL-208 | 10 | -4--21 | 25 | 33.8--53.8 | 10--35 | 5 | 35 | 14 | 55 | M45*2 | 40 | 95 |
| KBL-210 | 12 | -2--26 | 30 | 46.3--67.3 | 13.5--37.5 | 5 | 40 | 16 | 62 | M65*2 | 45 | 110 |
| KBL-212 | 14 | -3.5--31.5 | 30 | 48.3--73.3 | 14--52 | 5 | 50 | 21 | 77 | M72*2 | 53 | 130 |
Subject to technology changes without prior information
Non-standard requirements can be made
Exhibition:MANUFACTURING INDONESIA 2025 Date:03. - 06. December 2025 Time:10:00 am. – 06:00 pm. Add: Balai Sidang Jakarta Convention Center,Jakarta,Indonesia Booth:A-150
Learn moreExhibition:METALEX 2025 Date:From 19 to 22 November, 2025 Time:10:00 am. – 06:00 pm. Add: BITEC International Trade & Exhibition Centre,Bangkok, Thailand Booth:H101-BD01
Learn moreExhibition:MSV 2025 International Engineering Fair Date: Tuesday, October 7, 2025 - Friday, October 10, 2025 Add: Brno Exhibition Centre, Brno, Czech Republic Booth:P-115
Learn more