AUTO-INDEXING CHUCK
Click on product image magnification
Online inquiryBrand:NTH
Machining multiple surfaces in a single clamping
On-the-fly indexing
High accurate,durable indexing system
Index positions 4*90° or 8*45°
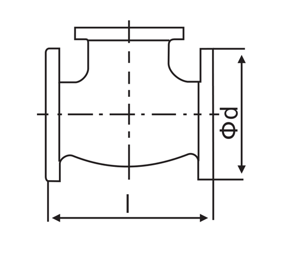
| Model |
Max.Workpiece Size Фd( mm) |
Max.Workpiece Size I (mm) |
|---|---|---|
| IAH-225 | 60 | 100 |
| IAH-250 | 65 | 160 |
| IAH-275 | 80 | 220 |
| IAH-315 | 100 | 230 |
| IAH-350 | 135 | 240 |
| IAH-400 | 170 | 260 |
| IAH-500 | 220 | 310 |
| IAH-670 | 300 | 400 |
Bracketed dimensions refer to models IAH-400 and larger.
| Spec/ Model | ØA | B | ØC(h7) | D | E | F | G | H | J | K | L | M | ØR |
|---|---|---|---|---|---|---|---|---|---|---|---|---|---|
| IAH-225 | 225 | 149 | 185 | 84 | 25 | M12 | 35 | 95 | 154 | 46 | 58 | 11.5 | 133.4 |
| IAH-250 | 250 | 185 | 210 | 113 | 25 | M12 | 40 | 106 | 190 | 46 | 55 | 20 | 133.4 |
| IAH-280 | 280 | 208 | 210 | 125 | 25 | M16 | 48 | 125 | 213 | 57 | 67 | 20.5 | 171.4 |
| IAH-315 | 315 | 227 | 235 | 136 | 25 | M16 | 50 | 136 | 232 | 70 | 85 | 22 | 171.4 |
| IAH-350 | 350 | 235 | 290 | 148 | 30 | M20 | 50 | 145 | 240 | 84 | 102 | 23 | 235 |
| IAH-400 | 400 | 253 | 290 | 160 | 30 | M20 | 60 | 165 | 259 | 100 | 114 | 30 | 235 |
| IAH-500 | 500 | 301 | 380 | 200 | 35 | M20,M24 | 68 | 205 | 308 | 133 | 157 | 35 | 235 |
| IAH-670 | 670 | 465 | 380 | 286 | 40 | M24 | 90 | 275 | 470 | 176 | 214 | 40 | 330.2 |
| Spec/Model |
Max. Clamping Force kgf |
Spindle Bore mm |
Max RPM |
Weight kg |
Inertia moment kg*m2 |
Max.Workpiece Size S mm |
Max.Workpiece Size T mm |
|---|---|---|---|---|---|---|---|
| IAH-225 | 1270 | over45 | 2800 | 29 | 0.9 | 60 | 100 |
| IAH-250 | 1730 | over45 | 2400 | 44 | 1.7 | 65 | 160 |
| IAH-280 | 2550 | over45 | 2000 | 56 | 2.8 | 80 | 220 |
| IAH-315 | 2550 | over45 | 1800 | 75 | 5 | 100 | 230 |
| IAH-350 | 2550 | over55 | 1800 | 100 | 8 | 135 | 240 |
| IAH-400 | 3530 | over55 | 1200 | 145 | 15 | 170 | 260 |
| IAH-500 | 4670 | over55 | 900 | 230 | 25.4 | 220 | 310 |
| IAH-670 | 5890 | over55 | 600 | 540 | 32.5 | 300 | 400 |
Next:IAC AUTO-INDEXING POWER CHUCK
Previous:FQ QUICK JAW CHANGE POWER CHUCK
Exhibition:MANUFACTURING INDONESIA 2025 Date:03. - 06. December 2025 Time:10:00 am. – 06:00 pm. Add: Balai Sidang Jakarta Convention Center,Jakarta,Indonesia Booth:A-150
Learn moreExhibition:METALEX 2025 Date:From 19 to 22 November, 2025 Time:10:00 am. – 06:00 pm. Add: BITEC International Trade & Exhibition Centre,Bangkok, Thailand Booth:H101-BD01
Learn moreExhibition:MSV 2025 International Engineering Fair Date: Tuesday, October 7, 2025 - Friday, October 10, 2025 Add: Brno Exhibition Centre, Brno, Czech Republic Booth:P-115
Learn more