AUTO-INDEXING CHUCK
Click on product image magnification
Online inquiryBrand:NTH
Machining multiple surfaces in a single clamping
On-the-fly indexing
High accurate,durable indexing system
Index positions 4*90° or 8*45°
|
规格 Spec 型号 Model |
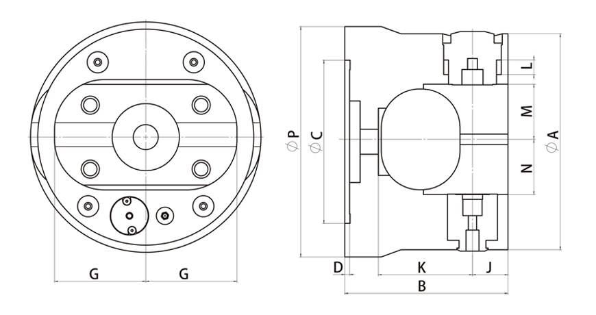
ØA | B | ØC(h7) | D | G | J | K | M | N | P |
|---|---|---|---|---|---|---|---|---|---|---|
| IAC-168A/C | 168 | 142 | 140 | 3.5 | 68 | 35 | 70 | 37.9 | 37.5 | 190 |
|
IAC-203A/C |
203 | 158 | 140 | 5 | 82 | 36 | 82 | 48.3 | 43.5 | 216 |
|
IAC-225A/C |
225 | 170 | 170 | 5 | 95 | 37 | 95 | 59.3 | 54.5 | 240 |
|
IAC-256A/C |
256 | 187 | 220 | 5 | 105 | 42 | 105 | 61.5 | 60 | 276 |
|
IAC-305A/C |
305 | 212 | 220 | 5 | 130 | 58 | 130 | 86 | 84.5 | 330 |
|
IAC-400A/C |
400 | 278 | 300 | 8 | 175 | 58 | 175 | 118.8 | 114.5 | 416 |
|
IAC-460A/C |
460 | 308 | 300 | 8 | 205 | 58 | 205 | 137 | 133 | 490 |
|
规格 Spec 型号 Model |
Max gripping force KN |
主轴孔径 mm |
Max seed RPM |
Weight kg |
适配主轴 No |
最大工件尺寸 mm |
Claming stroke mm |
|---|---|---|---|---|---|---|---|
|
IAC-168A/C |
10.6 | 45 | 3500 | 15 | A2-5 | 136 | 9 |
|
IAC-203A/C |
11.3 | 45 | 3000 | 24 | A2-5 | 164 | 15.2 |
|
IAC-225A/C |
11.3 | 45 | 2800 | 30 | A2-6 | 190 | 15.2 |
|
IAC-256A/C |
14.5 | 45 | 2500 | 42 | A2-8 | 210 | 19.1 |
|
IAC-305A/C |
14.5 | 45 | 2200 | 61 | A2-8 | 260 | 19.1 |
|
IAC-400A/C |
31.4 | 45 | 1800 | 120 | A2-11 | 350 | 30 |
|
IAC-460A/C |
31.4 | 45 | 1500 | 161 | A2-11 | 410 | 30 |
Subject to technology changes without prior information
Non-standard requirements can be made
Exhibition:MANUFACTURING INDONESIA 2025 Date:03. - 06. December 2025 Time:10:00 am. – 06:00 pm. Add: Balai Sidang Jakarta Convention Center,Jakarta,Indonesia Booth:A-150
Learn moreExhibition:METALEX 2025 Date:From 19 to 22 November, 2025 Time:10:00 am. – 06:00 pm. Add: BITEC International Trade & Exhibition Centre,Bangkok, Thailand Booth:H101-BD01
Learn moreExhibition:MSV 2025 International Engineering Fair Date: Tuesday, October 7, 2025 - Friday, October 10, 2025 Add: Brno Exhibition Centre, Brno, Czech Republic Booth:P-115
Learn more