PNEUMATIC POWER CHUCK
Click on product image magnification
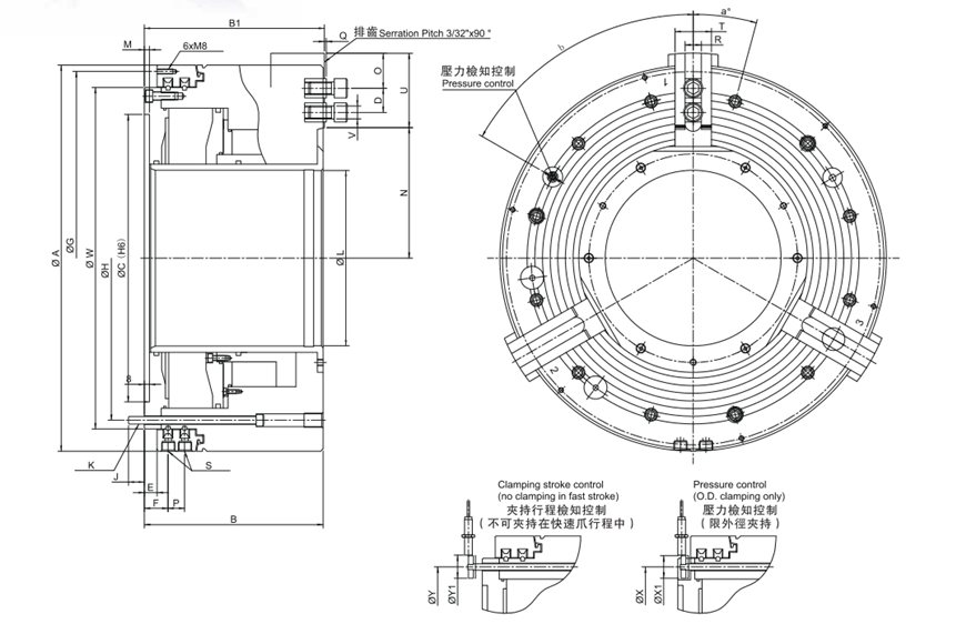
Online inquiry1, Air chuck for external clamping with built-in pneumatic cylinder.
2, Fast clamping with extended jaw stroke.4, Clamping stroke control.
| Spec/ Model |
Through hole dia. mm |
Total jaws stroke mm |
Fast jaw stroke mm |
Clamping jaw stroke mm |
Piston Area cm2 |
Operating Pressure Min-Max.(bar) |
|---|---|---|---|---|---|---|
| 600-275 | 275 | 25.4 | 16.9 | 8.5 | 954 | 2-10 |
| 850-375 | 375 | 25.4 | 13.4 | 12 | 1342 | 2-10 |
| Spec/Model |
Gripping Force KN |
Max RPM |
Weight Kg |
Inertia moment kg*m2 |
Air Consumption L |
Gripping range mm |
|---|---|---|---|---|---|---|
| 600-275 | 180 | 1100 | 360 | 20.6 | 39.5 | 135-275 |
| 850-375 | 250 | 750 | 980 | 110 | 68 | 115-375 |
| Spec/Model | A | B | B1 | C |
D Max./Min. |
E | F | G | H | J | K | L | M |
|---|---|---|---|---|---|---|---|---|---|---|---|---|---|
| 600-275 | 605 | 280 | 282 | 450 | 79/38 | 20 | 37 | 585 | 508 | 25 | 12-M12 | 275 | 8 |
| 850-375 | 850 | 352 | 354 | 700 | 140/47 | 25 | 44.5 | 830 | 745 | 30 | 12-M16 | 375 | 8 |
| Spec/Model |
N Max./Min. |
O Min. |
P | Q | R | S | T | U | V | W | X | X1 | Y | Y1 | a° | b° |
|---|---|---|---|---|---|---|---|---|---|---|---|---|---|---|---|---|
| 600-275 | 204.6/179.2 | 14 | 26 | 3 | 25.5 | G1/2 | 57 | 116.5 | M20 | 535 | 508 | 35 | 508 | 35 | 15 | 60 |
| 850-375 | 268/242.6 | 16 | 33 | 4 | 30 | G1/2 | 75 | 182 | M24 | 775 | 745 | 35 | 745 | 35 | 15 | 60 |
Remarks: The data above is under the operation pressure at 6 bar.
Subject to technology changes without prior information
Non-standard requirements can be made
Exhibition:MANUFACTURING INDONESIA 2025 Date:03. - 06. December 2025 Time:10:00 am. – 06:00 pm. Add: Balai Sidang Jakarta Convention Center,Jakarta,Indonesia Booth:A-150
Learn moreExhibition:METALEX 2025 Date:From 19 to 22 November, 2025 Time:10:00 am. – 06:00 pm. Add: BITEC International Trade & Exhibition Centre,Bangkok, Thailand Booth:H101-BD01
Learn moreExhibition:MSV 2025 International Engineering Fair Date: Tuesday, October 7, 2025 - Friday, October 10, 2025 Add: Brno Exhibition Centre, Brno, Czech Republic Booth:P-115
Learn more