NTH HYDRAULIC CHUCKS

NTH HYDRAULIC CHUCKS

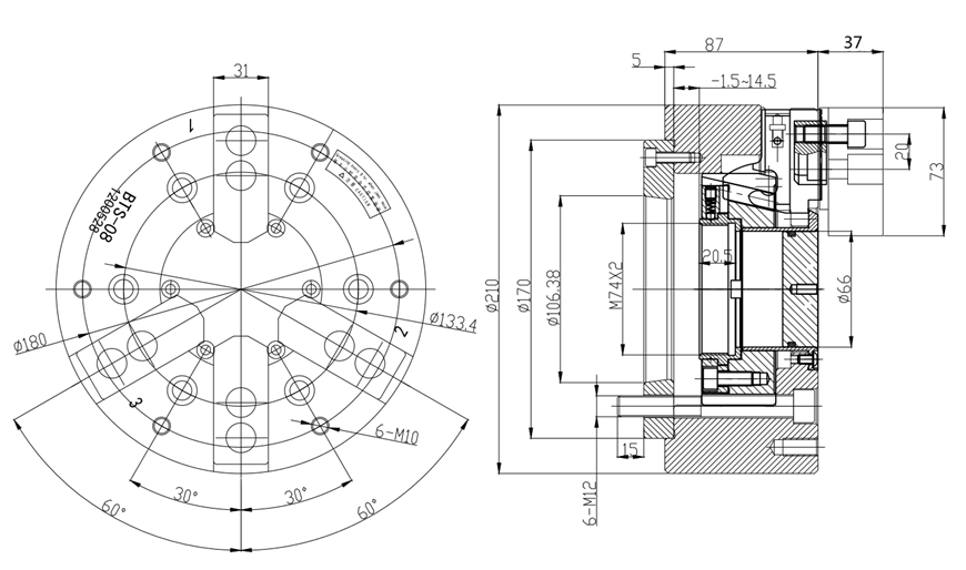
BTS 2 AND 3 JAW COMPATIBLE POWR CHUCK

2 jaw and 3 jaw compatible power chuck

Click on product image magnification

Download

Online inquiry

Products in detail

Brand:NTH

1.  The function of 2 jaw chuck and 3 jaw chuck can be used in the same chuck.

2. NO need to change the chuck,just change the jaws when change the round workpieces to irregular type.

3. All the chuck's sliding surfaces are hardened and ground to increase rotary accuracy and the service life.


Size Unit:mm

Spec/ Model

Through hole dia.
(mm)

Plunger stroke
(mm)

Jaw stroke (Dia)
(mm)

Max clamping dia
(mm)

Min clamping dia
(mm)

2 Jaw

Max.D.B.Pull
KN(kgf)

3 Jaw
Max.D.B.Pull
KN(kgf)

BTS-08A6

66

16

7.4

210

23

14.7(1470)

21.5(2200)


Spec/Model

2 Jaw
Max clamping force
KN(kgf)

3 Jaw
Max clamping force
KN(kgf)

Max RPM

Weight
kg

Matched cylinders

2 Jaw
Max.pressure
Mpa(kgf/cm2)

3 Jaw
Max.pressure
Mpa(kgf/cm2)

BTS-08A6

37.9(3870)

56.8(5800)

4200

25

H-1552

1.2(12)

1.8(18)

Subject to technology changes without prior information
Non-standard requirements can be made

News

  • MANUFACTURING INDONESIA 2025

    Exhibition:MANUFACTURING INDONESIA 2025 Date:03. - 06. December 2025 Time:10:00 am. – 06:00 pm. Add: Balai Sidang Jakarta Convention Center,Jakarta,Indonesia Booth:A-150

    Learn more
  • METALEX 2025

    Exhibition:METALEX 2025 Date:From 19 to 22 November, 2025 Time:10:00 am. – 06:00 pm. Add: BITEC International Trade & Exhibition Centre,Bangkok, Thailand Booth:H101-BD01

    Learn more
  • MSV 2025

    Exhibition:MSV 2025 International Engineering Fair Date: Tuesday, October 7, 2025 - Friday, October 10, 2025 Add: Brno Exhibition Centre, Brno, Czech Republic Booth:P-115

    Learn more