CENTERS

CENTERS

DCC CHUCK REVOLVING BED

Click on product image magnification

Download

Online inquiry

Products in detail

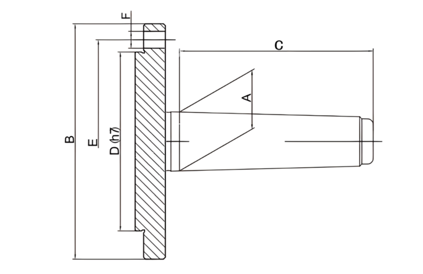
This product is mainly used to calibrate or support workpiece during processing, lt is used with standard chucks.

1.The connecting size for stangard 3-jaw self-centering chuck is used for the size of B,D,E,F and so ontcan be customized according to the cient's demand.

2.The main body and the taper shank adopt quality carbon steel ,with whole quenched,t is thus has good performance.

UNIT:mm

Model/Spec

A B C D E F

Accuracy

(mm)

DCC-MT3 23.825 112 81 80 95 3-M8 0.005
DCC-MT4
31.267 132 102.5 100 115 3-M8 0.01
DCC-MT5

44.399

167 129.5 130 147 3-M10 0.01
DCC-MT6 63.348 193 182 155 172 3-M10 0.01

News

  • MANUFACTURING INDONESIA 2025

    Exhibition:MANUFACTURING INDONESIA 2025 Date:03. - 06. December 2025 Time:10:00 am. – 06:00 pm. Add: Balai Sidang Jakarta Convention Center,Jakarta,Indonesia Booth:A-150

    Learn more
  • METALEX 2025

    Exhibition:METALEX 2025 Date:From 19 to 22 November, 2025 Time:10:00 am. – 06:00 pm. Add: BITEC International Trade & Exhibition Centre,Bangkok, Thailand Booth:H101-BD01

    Learn more
  • MSV 2025

    Exhibition:MSV 2025 International Engineering Fair Date: Tuesday, October 7, 2025 - Friday, October 10, 2025 Add: Brno Exhibition Centre, Brno, Czech Republic Booth:P-115

    Learn more