品牌/Brand:NTH
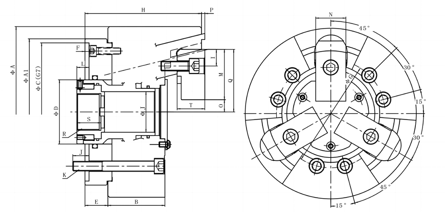
三爪柱销后拉型中空夹头。
适用于重切削加工。
高精度、高转速、高夹持力。
It‵s a pin-arbor draw down type 3 jaw through hole power chuck.
Suitable for heavy duty machining.
High accuracy and high rotary speed and Strong gripping force.
尺寸单位/Size unit: mm
|
规格
Spec 型号 Model |
楔心行程 Plunger stroke mm |
爪行程直径 Jaw stroke Dia. mm |
最大夹持直径 Max chucking Dia. mm |
最小夹持直径 Min chucking Dia. mm |
容许油压缸推力 Max.D.B.Pull kgf |
|---|---|---|---|---|---|
| 3AB-206 | 10 | 5 | 100 | 25 | 17.9(1830) |
| 3AB-208 | 10 | 5 | 130 | 25 | 25.0(2550) |
| 3AB-210 | 10 | 5 | 160 | 35 | 35.0(3570) |
| 3AB-212 | 10 | 5 | 210 | 85 | 35.0(3570) |
|
规格
Spec 型号 Model |
最大夹持力 Max clamping force kgf |
最高转速 Max RPM |
惯性矩 I kg*m2 |
重量 Weight kg |
最大使用压力 Max Pressure Mpa(kgf) |
|---|---|---|---|---|---|
| 3AB-206 | 57.8(5900) | 6000 | 0.055 | 14.7 | 2.6(26) |
| 3AB-208 | 80.0(8150) | 4500 | 0.14 | 25.5 | 2.2(22) |
| 3AB-210 | 100.0(10100) | 3600 | 0.36 | 43.5 | 3.1(3.1) |
| 3AB-212 | 100.0(10100) | 3600 | 0.68 | 60.5 | 3.1(3.1) |
|
规格
Spec 型号 Model |
A | A1 | B | C(H6) | D | E | F | G | H | I | J |
|---|---|---|---|---|---|---|---|---|---|---|---|
| 3AB-206 | 165 | 155 | 65 | 140 | 58 | 20.5 | 5 | 104.8 | 123.5 | 17 | 39 |
| 3AB-208 | 210 | 180 | 70 | 170 | 79 | 28 | 5 | 133.4 | 143 | 20.5 | 50 |
| 3AB-210 | 254 | 230 | 82 | 220 | 102 | 26 | 5 | 171.4 | 158 | 23 | 72 |
| 3AB-212 | 304 | 240 | 82 |
220 |
134 | 26 | 5 | 171.4 | 163 | 23 | 100 |
|
规格
Spec 型号 Model |
K | L | M | O | P | Q | R | S | T | X |
|---|---|---|---|---|---|---|---|---|---|---|
| 3AB-206 | M10 | 10-20 | 47 | 13.75-16.25 | -1-9 | 62 |
M33x1.5 |
30 | 30 | M5 |
| 3AB-208 | M12 | 10-20 | 62 | 13.75-16.25 | -1-9 | 77 |
M45x2.0 |
29.5 | 34 | M6 |
| 3AB-210 | M16 | 14-24 | 72 | 18.75-21.25 | -1-9 | 92 |
M62x2.0 |
35.5 | 39 | M8 |
| 3AB-212 | M16 | 9-19 | 72 | 43.75-46.25 | -1-9 | 117 |
M92x2.0 |
35.5 | 44 | M10 |
下一条:3AT 后拉固锁式中实动力夹头
上一条:DPF 4爪后拉式油压卡盘