NTH 液压卡盘

产品展示

NTH 液压卡盘

VS中实立式油/气缸

VS type non though vertical oil / air cylinder

点击产品图片放大

资料下载

在线询盘

产品详细介绍

品牌/Brand:NTH

立式固定中实油/气缸,可应用于钻床,铣床或加工中心使用(需配动力卡盘)。

对应标准规格二爪/三爪中实液压卡盘可直接安装,也可根据不同卡盘配非标法兰盘组装使用。


Brand: NTH

Vertical fixed non through oil/air cylinder, suitable for use in drilling machines, milling machines or machining centers (with power chuck ).
The corresponding standard specifications of two jaw/three jaw hydraulic chuck can be directly installed, or assembled with non-standard flange plates according to different chucks.


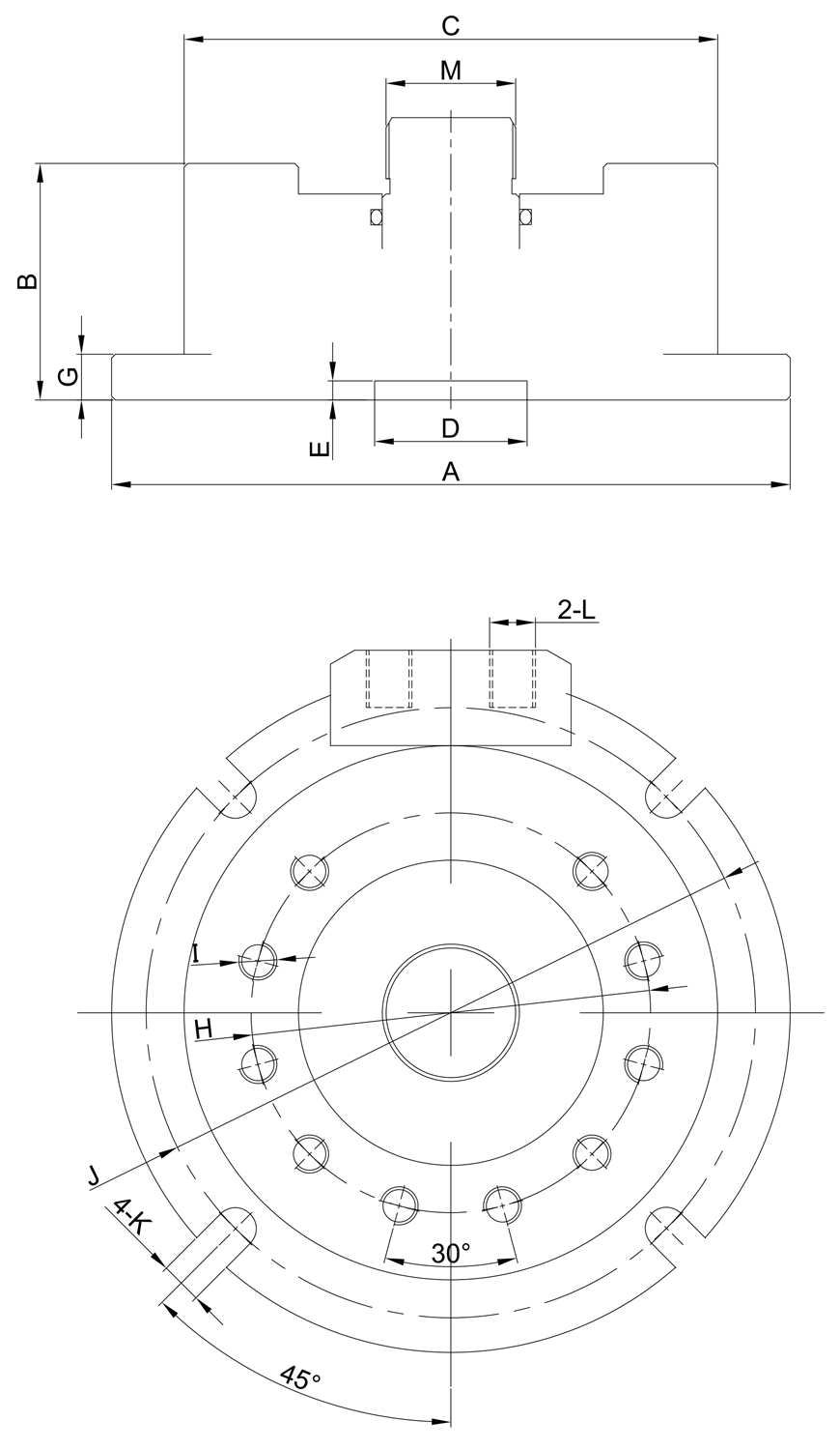
尺寸单位/Size unit: mm

规格 Spec
型号 Model
活塞面积
Piston area cm2
押侧Extend

活塞行程

Piston

Stroke

活塞面积
Piston area cm2
拉侧Retract
最高使用压力
Max Pressure
Mpa(Kgf/cm2)
重量
Weight
Kg
VS-05 28 10 24.9 3.5(35) 5.7
VS-06 63.1 12 53.5 3.6(36) 7.3
VS-08 103.4 16 90.8 3.6(36) 10.2
VS-10 153.1 19 133.5 3.4(34) 19.6
VS-12 175.4 30 152.2 3.6(36) 21.3
VS-15(18) 314 35 273.1 3.6(36) -
VS-21(24) 420 35 365.4 3.6(36) -


规格 Spec
型号 Model
A B C H7 D E

G

H I J K L M
VS-05 146 47 80 30 5 12 100 10-M8 132 9 PT1/4 M12内牙
VS-06 178 62 140 40 5 12 104.8 10-M8 160 11 PT1/4 M34*1.5
VS-08 205 72 170 40 5 14 133.4 10-M12 186 11 PT3/8 M38*1.5
VS-10 248 92 220 70 5 17 171.4 10-M16 225 13 PT3/8 M45*1.5
VS-12 300 106 220 80 5 23 171.4 10-M16 265 18 PT3/8 M50*1.5
VS-15(18) 400 144 300 80 5 27 235 10-M20 350 22 PT3/8 M60*2.0
VS-21(24) 500 148 380 80 5 30 330.2 6-M24(均分) 400 18 PT3/8 M60*2.0

保留技术更改的权利,恕不另行通知 Subject to technology changes without prior information
非标需求可定做 Non-standard requirements can be made




最新新闻

  • 东莞国际机床展览会

    展会及展位信息: 时间:2025.10.29-11.01 开放时间:09:00-18:00 地点: 广东现代国际展览中心 展位号:3A-08

    深入了解
  • 玉环国际机床展览会

    展会及展位信息: 时间:2025.10.17-10.20 开放时间:09:00-18:00 地点: 浙江省台州市玉环市玉环会展中心 展位号:W2-T26

    深入了解
  • 武汉国际机床展-中国国际机电产品博览会WME

    展会及展位信息: 时间:2025年10月11日-13日 开放时间:09:00-18:00 地点:武汉国际博览中心 展位号:B1-1306 & B1-1004

    深入了解