品牌/Brand:NTH
立式固定中空油/气缸,可应用于钻床,铣床或加工中心使用(需配动力卡盘)。
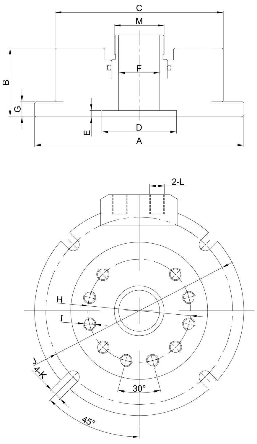
对应标准规格二爪/三爪中实液压卡盘可直接安装,也可根据不同卡盘配非标法兰盘组装使用。
Brand: NTH
Vertical fixed through hole oil/air cylinder, suitable for use in drilling machines, milling machines or machining centers (with power chuck ).
The corresponding standard specifications of two jaw/three jaw hydraulic chuck can be directly installed, or assembled with non-standard flange plates according to different chucks.
尺寸单位/Size unit: mm
|
规格 Spec 型号 Model |
活塞面积 Piston area cm2 押侧Extend |
活塞行程 Piston Stroke |
活塞面积 Piston area cm2 拉侧Retract |
最高使用压力 Max Pressure Mpa(Kgf/cm2) |
重量 Weight Kg |
|---|---|---|---|---|---|
| VH-05 | 63.7 | 10 |
57.9 |
3.5(35) | 6.1 |
| VH-06 | 97.1 | 12 | 88.5 | 3.6(36) | 7 |
| VH-08 | 128.9 | 16 | 113.9 | 3.6(36) | 10 |
| VH-10 | 189.2 | 19 | 174.3 | 3.4(34) | 24 |
| VH-12 | 243.3 | 23 | 216.8 | 3.6(36) | - |
| VH-15(18) | 377.7 | 23 | 345.3 | 3.6(36) | - |
| VH-21 | 401.2 | 23 | 372.3 | 3.6(36) | - |
| VH-24 | 446.3 | 24 | 412.6 | 3.6(36) | 191.5 |
|
规格 Spec 型号 Model |
A | B | C H7 | D | E | F |
G |
H | I | J | K | L | M |
|---|---|---|---|---|---|---|---|---|---|---|---|---|---|
| VH-05 | 169 | 55 | 110 | 60 | 5 | 33 | 12 | 82.55 | 10-M10 | 150 | 10 | PT1/4 | M40*1.5 |
| VH-06 | 194 | 65 | 140 | 80 | 5 | 45 | 14 | 104.8 | 10-M10 | 176 | 11 | PT1/4 | M55*2.0 |
| VH-08 | 212 | 71 | 170 | 80 | 5 | 52 | 14 | 133.4 | 10-M12 | 194 | 11 | PT3/8 | M60*2.0 |
| VH-10 | 276 | 91 | 220 | 105 | 5 | 70 | 23 | 171.4 | 10-M16 | 246 | 13 | PT3/8 | M85*2.0 |
| VH-12 | 375 | 123 | 220 | 110 | 5 | 90 | 23 | 171.4 | 10-M16 | 340 | 18 | PT3/8 | M100*2.0 |
| VH-15(18) | 400 | 109 | 300 | 130 | 5 | 120 | 25 | 235 | 12-M20(均分) | 326 | 22 | PT3/8 | M130*2.0 |
| VH-21 | 500 | 130 | 380 | 190 | 5 | 180 | 40 | 330.2 | 6-M24(均分) | 450 | 18 | PT3/8 | M190*3.0 |
| VH-24 | 620 | 140 | 520 | 250 | 5 | 205 | 30 | 463.6 | 6-M24(均分) | 550 | 6-22 | PT3/8 | M215*3.0 |
保留技术更改的权利,恕不另行通知 Subject to technology changes without prior information
非标需求可定做 Non-standard requirements can be made
下一条:VS中实立式油/气缸
上一条:VT 中实立式夹头