NTH COLLET CHUCKS

NTH COLLET CHUCKS

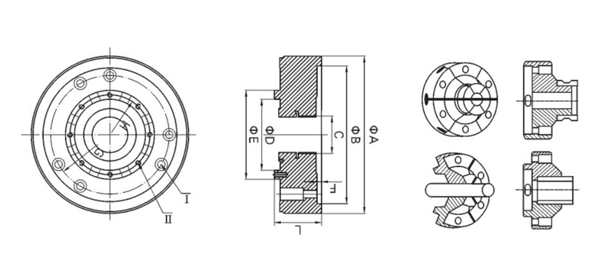
JPD PASSIVE ULTRA-PRECISION DIAPHRAGM CHUCK (REAR DRIVE TYPE)

JPD PASSIVE ULTRA-PRECISION DIAPHRAGM CHUCK (REAR DRIVE TYPE)

Click on product image magnification

Download

Online inquiry

Products in detail

Product Features:

Adopted diaphragm elasticity technology,the repeatability accuracy below 3μ. Permanent precision service life and high-sealed design to resist to the water or dust.

Easily control both ends and parallelism, Multi -segment size can be processed and reduced equipment costs.

Use the single motion grinding machine to replace CNC multi -segment processing at the same time,drived by the draw bar of the back-mounted cylinder.

The hidden in the air pressure cylinder is directly driven


Product Suitability:

Precision machining of micro bearings, motors and precision sleeves, measuring of the precise parts

Suitable for turning and grinding of microelectronics products, optical parts, medical parts, thinand high-precision workpieces Detection of precision components


MODEL/SIZE

A

B

C

D

E

F

G

L

I

JPD4-60

116

72


M12*1.5


45

60

5


100


41

6-M5

6-M4

JPD4-70

147

125


M28*1.5


50

70

5

106.4

57.2

6-M6

6-M5

JPD4-100


177


155

M55*2

80


100


5


133.4



53


6-M8

6-M5

JPD4-150
220 190 M82*1.5 120 150 5 170 56.8 6-M8
6-M6

MODEL/SPEC

H

Working Pressure

Gripping Jaw Model

Opening/Closing

Stroke

JPD4-60

6-M4 52

2-7

JD-60

0.1

JPD4-70

6-M5
60

2-7

JD-70

0.3

JPD4-100

8-M5
90

2-7

JD-100

0.3

JPD4-150
8-M6
135 2-7 JD-150
0.3


News

  • MANUFACTURING INDONESIA 2025

    Exhibition:MANUFACTURING INDONESIA 2025 Date:03. - 06. December 2025 Time:10:00 am. – 06:00 pm. Add: Balai Sidang Jakarta Convention Center,Jakarta,Indonesia Booth:A-150

    Learn more
  • METALEX 2025

    Exhibition:METALEX 2025 Date:From 19 to 22 November, 2025 Time:10:00 am. – 06:00 pm. Add: BITEC International Trade & Exhibition Centre,Bangkok, Thailand Booth:H101-BD01

    Learn more
  • MSV 2025

    Exhibition:MSV 2025 International Engineering Fair Date: Tuesday, October 7, 2025 - Friday, October 10, 2025 Add: Brno Exhibition Centre, Brno, Czech Republic Booth:P-115

    Learn more