AUTO-STRONG PRODUCTS Scroll Chuck

AUTO-STRONG PRODUCTS Scroll Chuck

KD 3 JAWS STRONG SCROLL CHUCK D1 CAMLOCK DIRECT MOUNTING

3-jaw strong scroll chuck D1 camlock direct mounting,2-piece jaws

Click on product image magnification

Download

Online inquiry

Products in detail

Camlock direct mounting. Easy and quick to install

Self-centering chuck improve efficiency.

KD types chucks have wider utilization range; Top jaws can be changed quickly between hard jaws or soft jaws

hard jaws suitable for heavy cutting; soft jaws suitable for light and precision cutting. It is convenient to change between hard jaws and soft jaws.

Interchangeable utilization of internal and external hard jaws for widely clamping methods

SK self-centering scroll chuck feature economical and durable, suitable for mass production.

Standard accessories chuck wrench, hex. key. and a set of mounting bolts. (UNC-bolts)

The body is made of highly strength and durability MEEHANITE. It is suitably used for high speed revolution also durable 3 times more than regular material.


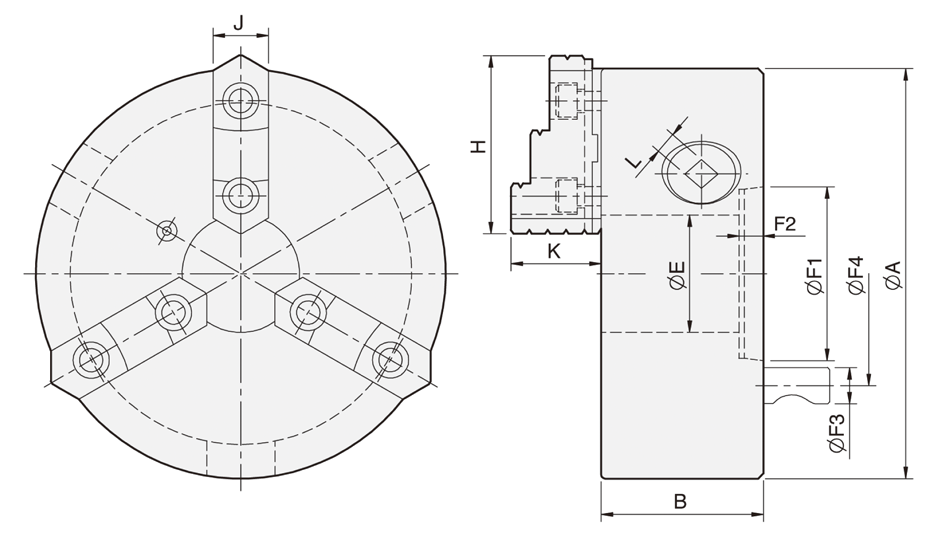
Unit : mm

Model/Size Spindle Size A B E H J K L Mounting Diamension
F1 / F2 / F3 / F4
KD4-6" D1-4 165 72 46 72 26 39 9 63.513 / 13 / 15.8 / 82.55
KD4-8" D1-4 200 77.2 53 82 28 42.2 11.5 63.513 / 13 / 15.8 / 82.55
KD5-8" D1-5 200 77.2 55 82 28 42.2 11.5 82.563 / 16 / 19 / 104.78
KD6-8" D1-6 200 77.2 58 82 28 42.2 11.5 106.375 / 17 / 22.2 / 133.35
KD6-10" D1-6 250 86 76 90.9 32 50.8 19.5 106.375 / 17 / 22.2 / 133.35
KD6-12" D1-6 306 107.5 103 114.5 40 57.8 21 106.375 / 13.5 / 22.2 / 133.35
KD8-10" D1-8 250 86 80 90.9 32 50.8 19.5 139.719 / 19 / 25.4 / 171.45
KD8-12" D1-8 306 107.5 103 114.5 40 57.8 21 139.719 / 18 / 25.4 / 171.45
0

Model/sizeA Allowed Handle torque
(kgfm)
Gripping force
(kgf)
Max. Speed
(r.p.m.)
Weight
(kg)
Inertia Monment
(kg
m2)
Gripping randge
O.D/I.D
KD4-6" 9 2200 2000 11 0.04 Ø8-Ø160 / Ø55-Ø150
KD4-8" 11.5 2500 2000 18.5 0.07 Ø8-Ø180 / Ø62-Ø170
KD5-8" 11.5 2500 2000 18 0.07 Ø8-Ø180 / Ø62-Ø170
KD6-8" 11.5 2500 2000 17 0.07 Ø8-Ø180 / Ø62-Ø170
KD6-10" 19.5 4000 1800 29.5 0.2 Ø11-Ø220 / Ø70-Ø210
KD6-12" 21 4200 1800 47 0.5 Ø15-Ø300 / Ø90-Ø290
KD8-10" 19.5 4000 1800 27 0.2 Ø11-Ø220 / Ø70-Ø210
KD8-12" 21 4200 1800 47 0.5 Ø15-Ø300 / Ø90-Ø290


News

  • MANUFACTURING INDONESIA 2025

    Exhibition:MANUFACTURING INDONESIA 2025 Date:03. - 06. December 2025 Time:10:00 am. – 06:00 pm. Add: Balai Sidang Jakarta Convention Center,Jakarta,Indonesia Booth:A-150

    Learn more
  • METALEX 2025

    Exhibition:METALEX 2025 Date:From 19 to 22 November, 2025 Time:10:00 am. – 06:00 pm. Add: BITEC International Trade & Exhibition Centre,Bangkok, Thailand Booth:H101-BD01

    Learn more
  • MSV 2025

    Exhibition:MSV 2025 International Engineering Fair Date: Tuesday, October 7, 2025 - Friday, October 10, 2025 Add: Brno Exhibition Centre, Brno, Czech Republic Booth:P-115

    Learn more