AUTO-STRONG PRODUCTS Scroll Chuck

AUTO-STRONG PRODUCTS Scroll Chuck

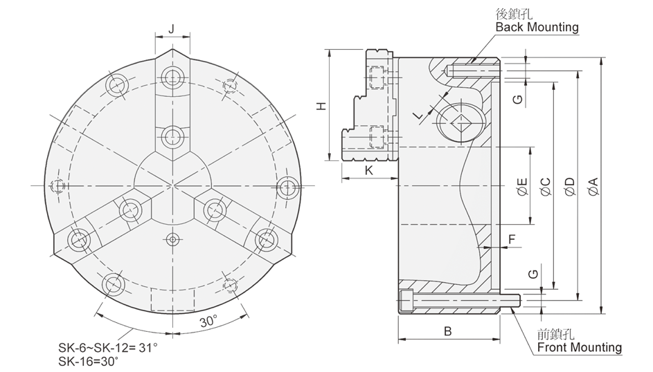
SK 3 JAWS STRONG SCROLL CHUCK PLAIN BACK 2-PIECE JAWS

3-jaw strong scroll chuck plain back,2-piece jaws (front and back mounted)

Click on product image magnification

Download

Online inquiry

Products in detail

Front and back mounted (SK-16 excluded). Easy to install

Self-centering chuck improve efficiency.

SK types chucks have wider utilization range; Top jaws can be changed quickly between hard jaws or soft jaws

hard jaws suitable for heavy cutting; soft jaws suitable for light and precision cutting. It is convenient to change between hard jaws and soft jaws.

Interchangeable utilization of internal and external hard jaws for widely clamping methods

SK self-centering scroll chuck feature economical and durable, suitable for mass production.

Gripping accuracy of 0.03mm (0.0012 inch) T.I.R..

The body is made of highly strength and durability MEEHANITE. It is suitably used for high speed revolution also durable 3 times more than regular material.


Unit: mm

Model/Size A B C D E F G-Back/Front H J
SK-4 112 58 80 95 32 4.8 — / 3-M8x65 47 19
SK-6 167 67 130 147 45 5.5 3-M10 / 3-M10x70 72 26
SK-7 192 76.5 155 172 58 5.5 3-M10 / 3-M10x80 81.2 28
SK-8 200 76.5 160 176 58 5.5 3-M10 / 3-M10x80 82 28
SK-9 232 84 190 210 70 6 3-M12 / 3-M12x90 90.9 32
SK-10 273 87 230 250 89 8 3-M12 / 3-M12x90 100.5 35
SK-12 310 96 260 285 105 7 3-M12 / 3-M12x110 114.5 40
SK-16 405 122 345 375 160 8.7 — / 6-M14x130 148.6 50

Model/Size K L Allowed Handle Torque
(kgfm)
Gripping force
(kgf)
Max. Speed
(r.p.m.)
Weight
(kg)
 Inertia
(kg
m2)
Gripping Range
O.D./I.D.
SK-4 31.6 8 4.5 1200 2500 3.8 - Ø3-Ø95 / Ø29-Ø84
SK-6 40.2 10 9 2200 2000 9 0.03 Ø4-Ø160 / Ø55-Ø150
SK-7 42 11 11 2500 2000 13.8 0.06 Ø8-Ø180 / Ø62-Ø170
SK-8 42 11 11 2500 2000 15.5 0.07 Ø8-Ø190 / Ø68-Ø180
SK-9 51.2 12 15 3000 2000 22 0.16 Ø11-Ø220 / Ø70-Ø210
SK-10 56.7 12 19.5 4000 1800 29.7 0.26 Ø12-Ø260 / Ø80-Ø250
SK-12 56.8 14 21 4200 1800 43.5 0.58 Ø15-Ø300 / Ø90-Ø290
SK-16 76.1 15 25 4500 1500 98 1.72 Ø30-Ø380 / Ø110-Ø360


News

  • MANUFACTURING INDONESIA 2025

    Exhibition:MANUFACTURING INDONESIA 2025 Date:03. - 06. December 2025 Time:10:00 am. – 06:00 pm. Add: Balai Sidang Jakarta Convention Center,Jakarta,Indonesia Booth:A-150

    Learn more
  • METALEX 2025

    Exhibition:METALEX 2025 Date:From 19 to 22 November, 2025 Time:10:00 am. – 06:00 pm. Add: BITEC International Trade & Exhibition Centre,Bangkok, Thailand Booth:H101-BD01

    Learn more
  • MSV 2025

    Exhibition:MSV 2025 International Engineering Fair Date: Tuesday, October 7, 2025 - Friday, October 10, 2025 Add: Brno Exhibition Centre, Brno, Czech Republic Booth:P-115

    Learn more