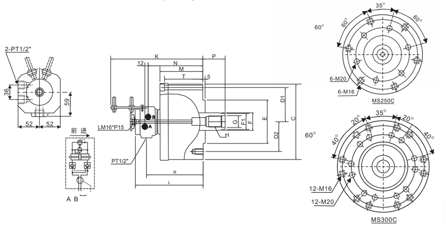
Non through-hole rotary hydraulic cylinder(valve and switch brackets included)
Click on product image magnification
Online inquiryThrough-hole for coolant, oil or air with thread for rotary unit.
Mounting from the rear or front side.
Built-in safety check valves and bracket for proximity switch. (The proximity switches are extra option.) In case of power failure occur which prevents the workpiece from flying out.
Including proximity plate.
Unit : mm
| Spec/Model |
Piston Dia. (mm) |
Eff. Piston area (cm2) Extend/ Retract |
Max. tube power fore KN(kgf) Extend / Retract |
Piston Stroke (mm) |
Max. hydraulic pressure Mpa(kgf/cm2) |
MAX RPM (r.p.m.) |
Inertia (kg‧m2 ) |
Weight (kg) |
Total Leakage L/min |
|---|---|---|---|---|---|---|---|---|---|
| MS250C | 250 | 481.5 / 453.6 |
227(23147) 214(21822) |
60 | 4.9(50) | 2000 | 0.87 | 78 | 2 |
| MS300C | 300 | 697.5 / 658.6 |
262(26716) 247(25186) |
60 | 4.0(40.8) | 1500 | 1.6 | 106 | 3 |
| Model | C | D1 | D2 | E(h7) | F | F1 | G | H | J | K | L | M | N | Pmax. | Pmin. | Q1 | Q2 | R | T |
|---|---|---|---|---|---|---|---|---|---|---|---|---|---|---|---|---|---|---|---|
| MS250C | 300 | 275 | 220 | 160 | 65 | 62 | 44 | M42x3.0 | 60 | 356 | 177 | 177 | 220 | 85 | 25 | 6-Ø17 | 6-M20 | 226 | 160 |
| MS300C | 355 | 330 | 270 | 210 | 75 | 70 | 50 | M48X3.0 | 70 | 359 | 182 | 182 | 223 | 85 | 25 | 12-Ø17 | 12-M20 | 229 | 165 |
Exhibition:MANUFACTURING INDONESIA 2025 Date:03. - 06. December 2025 Time:10:00 am. – 06:00 pm. Add: Balai Sidang Jakarta Convention Center,Jakarta,Indonesia Booth:A-150
Learn moreExhibition:METALEX 2025 Date:From 19 to 22 November, 2025 Time:10:00 am. – 06:00 pm. Add: BITEC International Trade & Exhibition Centre,Bangkok, Thailand Booth:H101-BD01
Learn moreExhibition:MSV 2025 International Engineering Fair Date: Tuesday, October 7, 2025 - Friday, October 10, 2025 Add: Brno Exhibition Centre, Brno, Czech Republic Booth:P-115
Learn more