Short Type Non Through Hole Rotary Hydraulic
Click on product image magnification
Online inquiryLight weight and short form design can reduce the spindle loading for vertical lathe application.
Built-in check valve and proximity switch brackets. In case of power failure occur which prevents the workpiece from flying out.
Developed for rear locking installation.
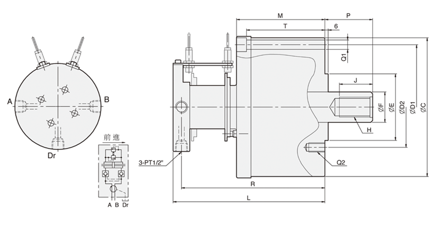
Unit : mm
| Model/size |
Piston Dia. (mm) |
Eff. piston area (cm2) Extend / Retract |
Max. tube force power KN(kgf) Extend / Retract |
Piston Stroke (mm) |
Max. hydraulic pressure (kgf / cm2) |
MAX. RPM (r.p.m.) |
Inertis (kg‧m2 ) |
Weight (kg) |
Total Leakage L/min |
|---|---|---|---|---|---|---|---|---|---|
| MR15035 | 150 | 171.1 / 156.7 |
72(7342) 66(6730) |
35 | 4.5(45.9) | 5500 | 0.043 | 12.8 | 0.8 |
| MR20060 | 200 | 310 / 286 |
146(14887) 134(13664) |
60 | 4.9(50) | 5000 | 0.55 | 49 | 2 |
| MR25060 | 250 | 481.5 / 453.6 |
227(23147) 214(21822) |
60 | 4.9(50) | 2000 | 0.81 | 72 | 2 |
| Model/size | C | C1 | D1 | D2 | E(h7) | F | G | H | J | L | M | Pmax. | Pmin. | Q1 | Q2 | R | T | Z |
|---|---|---|---|---|---|---|---|---|---|---|---|---|---|---|---|---|---|---|
| MR15035 | 202 | 204 | 180 | 130 | 110 | 110 | 45 | M30x3.5 | 45 | 175 | 95 | 61 | 26 | 6-Ø13 | 12-M12 | 163 | 82 | 5 |
| MR20060 | 250 | 225 | 225 | 145 | 120 | 55 | 37 | M36xP4.0 | 60 | 270 | 156 | 85 | 25 | 6-Ø17 | 6-M16 | 255 | 140 | 6 |
| MR25060 | 300 | 305 | 275 | 220 | 160 | 65 | 44 | M42xP3.0 | 60 | 280 | 168 | 85 | 25 | 6-Ø17 | 6-M20 | 265 | 150 | 6 |
Exhibition:MANUFACTURING INDONESIA 2025 Date:03. - 06. December 2025 Time:10:00 am. – 06:00 pm. Add: Balai Sidang Jakarta Convention Center,Jakarta,Indonesia Booth:A-150
Learn moreExhibition:METALEX 2025 Date:From 19 to 22 November, 2025 Time:10:00 am. – 06:00 pm. Add: BITEC International Trade & Exhibition Centre,Bangkok, Thailand Booth:H101-BD01
Learn moreExhibition:MSV 2025 International Engineering Fair Date: Tuesday, October 7, 2025 - Friday, October 10, 2025 Add: Brno Exhibition Centre, Brno, Czech Republic Booth:P-115
Learn more